- 솔리드웍스 피처 시작 위치를 변경하는 옵션을 이용한, 한 번의 스케치로 모델링하는 방법 강좌
- 간단한 솔리드웍스 모델링 테크닉 강의

일반적으로 컴퓨터 설계 범주안에 있는 모든 3D프로그램은, 기본적으로 2D스케치를 바탕에 두고, 형상을 모델링하는 작업형식을 가지고 있다.
즉, 처음부터 바로 3D를 표현하는 프리폼 방식과는 달리 스케치가 되지 않으면, 모델링 자체가 불가능한 것이, 일반적인 3D캐드의 특징이라고 볼 수 있는 것이다.
어떻게 보면, 3D캐드에서 가장 중요한 부분이 스케치이지만, 이 스케치를 어떻게 할 것인가에 대한 문제는 전적으로 작업자의 작업 스타일과 작업 숙련도에 따라 천차만별이지만, 작업의 이해도와 작업의 숙련도가 높아지면 높아질수록, 스케치의 활용정도는 현저히 떨어지는 경향을 볼 수 있다.
물론, 작업의 조건과 내용에 따라 달라질 수는 있을 것이지만, 스케치 횟수가 늘어나면, 차후에 수정 등 변경사항이 발생했을 때, 적절한 대처가 어려울뿐더러, 차후 관리에도 애로사항이 발생하기 때문이다.

이번 강좌는 이러한, 모델링에 있어서 꼭 필요한 스케치 작성 횟수를 최대한 줄여서, 작업하는 방식을 강의하는데, 이것은 솔리드웍스가 가지고 있는 피처 시작 옵션을 이용한 방법으로, 적절하게 잘 사용하면 정말 스케치 작성을 현격히 줄일 수 있고, 참조형상 기준면 피처 생성 수량도 줄일 수 있는 내용이다.
기본 모델링에 속하는 내용이지만, 이 기능을 적절하게 사용하기 위해서는, 도면 또는 설계할 형상을 전반적으로 분석할 수 있는 초기 능력을 어느 정도 갖추고 있어야 하고, 작업을 어떻게 이끌어갈 것인지도 염두해야 할 것이다.
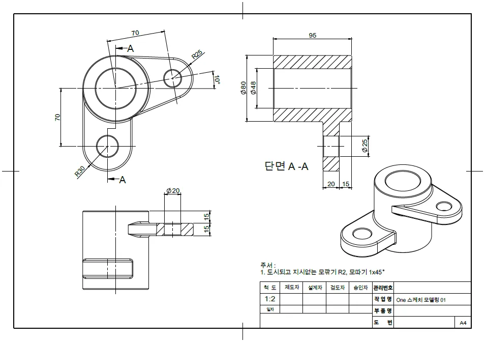
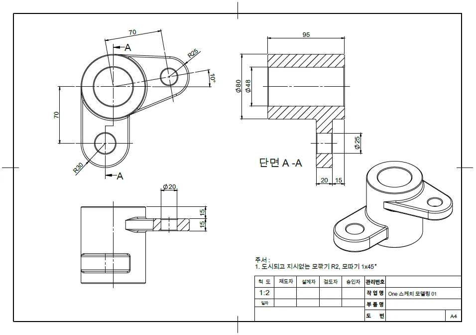
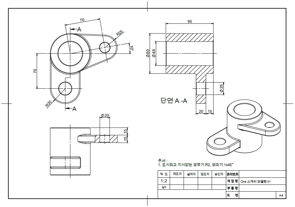
이 강좌를 통해 단순히 따라 하기만 하면, 원하는 목적을 달성하기 어려움으로, 아래 도면을 충분히 검토하고, 어떻게 작업을 진행하면 좋을 것인지 미리 파악한 후, 강의 영상과 아래 글 강좌를 통해서, 서로의 생각을 분석할 수 있는 능력을 갖도록 하면 좋겠다.
연습용 PDF도면 다운로드
한 번의 스케치로 모델링 따라 하기

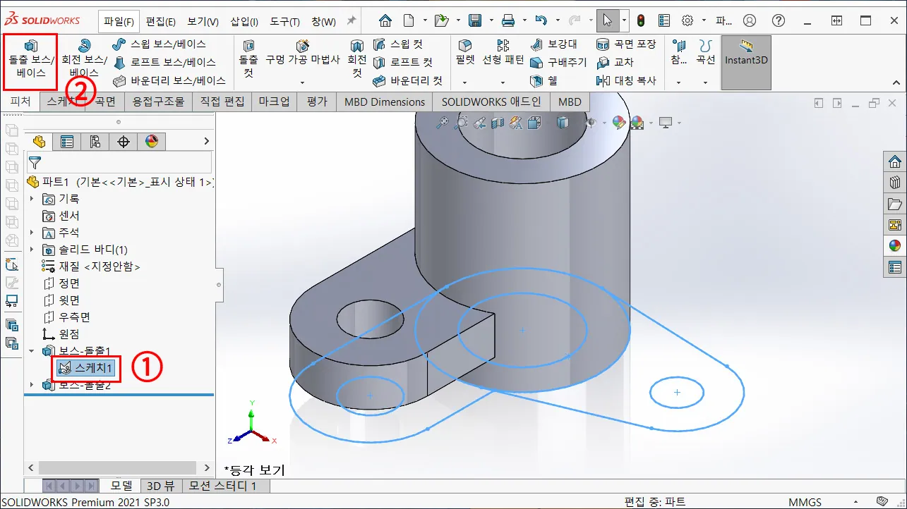
제공한 도면에서 윗면에 해당하는 모든 부분을 한 번의 스케치로 작성한다.
- 기준 평면에서 윗면을 선택하고, 새 스케치를 작성한다.
- 각종 스케치 도구를 이용해서, 도면과 같이 스케치를 작성하고, 구속 조건 및 치수 구속을 부여하고 스케치를 완성한다.
※ 모델링에 필요한 스케치를 횟수를 최대한 줄일 수 있는 방법은, 솔직히 필요한 스케치를 한 번에 최대한 많이 해 두고, 필요할 때 스케치 공유를 통해 피처를 작성하는 것이다.
※ 이렇게 한 번에 많은 스케치를 해두면, 차후 수정이나, 변경 사항이 발생했을 때, 수정/변경이 유리하지만, 전반적인 형상 파악이 어느 정도 이루어져 있어야 한다.
기준 형상 모델링

스케치를 마무리하고, 해당 스케치 피처를 디자인 트리에서 선택한 후, 돌출 보스/베이스를 실행하고, 기준이 되는 피처를 먼저 생성한다.
- 다중 영역을 가지고 있는 스케치이기 때문에, 필요한 영역만 선택한다.
- 도면과 같이 돌출 높이 값을 지정하고, 형상을 완성한다.
첫 번째 추가 피처 모델링



디자인 트리에서 작성된 기준 피처, 하위에 있는 스케치를 선택한 후, 추가 돌출 보스/베이스를 작성한다.
- 디자인 트리에서 피처 하위에 있는 스케치를 선택한 후,
- 돌출 보스/베이스를 실행한다.
- 추가될 피처의 영역을 선택한다. 이때, 각기 다른 영역이 겹쳐있는 경우에는 해당 부분을 찾아서 같이 선택해야 한다.
- 돌출 높이 값은 도면과 같이 설정한다.
- 돌출 속성창 제일 위에, 시작 영역에서 오프셋을 선택하고, 간격 띄우기 값을 도면과 같이 입력한 후, 모델링을 완성한다.
※ 다중 영역으로 이루어진 스케치의 영역을 선택할 때는 꼭! 면을 지정해야 작업에 불편함이 없다.
두 번째 추가 피처 모델링



두 번째로 추가되는 피처도 첫 번째와 동일하게 처음 작성한 스케치를 선택한 후, 돌출 보스를 작성한다.
- 디자인 트리에서 처음 스케치 피처를 선택한 후,
- 돌출 보스/베이스를 실행한다.
- 추가될 피처의 영역을 선택한다. 이때도, 겹쳐있는 영역까지 선택해야 한다.
- 두 번째도 동일하게 돌출 속성창 제일 위에, 시작 영역에서 `오프셋`을 선택하고, 간격 띄우기 값을 도면과 같이 입력한다.
- 돌출 높이 값은 도면과 같이 입력하고, 돌출 방향을 반대 방향으로 변경한 후, 모델링을 완성한다.
마지막, 모깎기 및 모따기 적용


피처 편집에서 모델링 형상의 모서리에 모깎기 및 모따기를 도면과 같이 적용하고, 모델링을 마무리한다.
일반적으로, 솔리드웍스 모델링 방법은 여타 다른 종류의 3D캐드와 비교해서 특별히 좋고 나쁘고 가 없다. 다만, 조금 더 잔손이 적게 갈 수 있다는 점에서 많이들 사용하는 것 같다.
다만, 경쟁이 되는 인벤터와 비교했을 때는, 몇 가지 소소한 부분에서 차이가 있는데, 그중 대표적인 것이 인벤터는 화면에 보이는 모든 스케치는 피처에 반응하는 불편함이 있지만, 솔리드웍스는 선택된 스케치만 인식한다는 점과, 모깎기와 모따기에서 솔리드웍스는 면과 모서리가 모두 선택되기 때문에, 복잡한 선택을 수월하게 할 수 있다는 장점이 있다.
앞에서도 언급했지만, One 스케치 모델링 방식은, 직관적으로 그때그때 필요한 스케치를 해나가는 방식과는 달리, 솔리드 모델링의 체계도 어느 정도 잡혀 있어야 하고, 도면 또는 설계할 형상을 전반적으로 파악할 수 있는 약간의 능력을 갖추고 있어야 하는 작업 영역이다.
이것을 토대로, 멀티 바디, 탑다운 등 다양한 작업 노하우에 접근할 수 있을 것이며, 막연히 따라 하지는 마시고, 전체를 분석할 수 있도록, 많은 노력을 해야 한다.
