솔리드웍스 곡면 모델링 따라 하기 소개
3D프린터로 출력해서 잘 사용하고 있는 전기면도기 거치대 모델링 방법

지난 시간에 포스팅한 3D프린터로 전기면도기 거치대 만들기에 대한 솔리드웍스 모델링 방법에 대한 내용을 이번 시간에 간략한 흐름으로 알아보면서, 솔리드웍스 곡면 모델링기능을 적절하게 이용해서 결과물을 만드는 방법을 소개한다.
3D프린터로 전기 면도기 거치대 만들기 - 솔리드웍스
튼튼하고, 실용성 있는 전기면도기 거치대를 솔리드웍스와 3D프린터를 이용해서 만들어 보고, 개인적으로 사용하는 3D프린터를 실생활에 어떻게 접목해야 하는지 알아보자. 몇 년 전, 아내에게
esajin.kr
전기면도기 콘셉트와 3D프린터 출력에 대한 내용은 위 링크를 통해서 확인할 수 있다.
몇 년 전 아내에게서 생일 선물로 받았던 전기면도기를 보관과 사용에 편의성을 높이기 위해서, 대략적인 디자인과 솔리드웍스를 이용해서 모델링하고, 3D프린터로 출력해서 사용하고 있다.
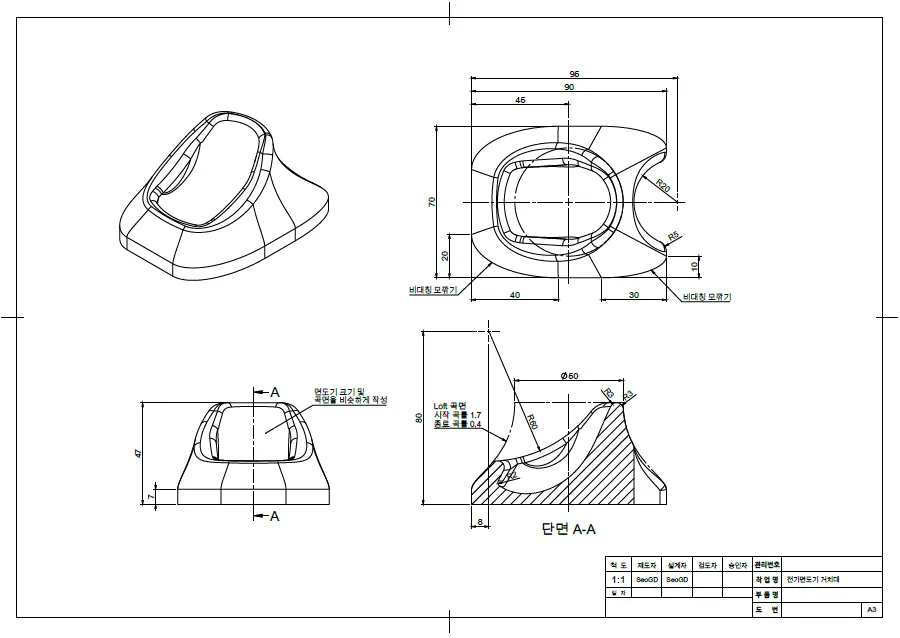
솔리드웍스로 곡면 모델링을 공부하시는 분들은 아래 도면과 참고해서 어떻게 솔리드와 곡면이 적용되어 형상이 완성되는지 공부해 두면 좋을 것이다.
PDF도면 다운로드
이번 거치대 모델링에서 가장 중요한 부분은 면도기가 거치되는 부분의 곡면을 어떻게 생성하느냐에 대한 부분일 것이다.
외형적인 부분은 스케치와 돌출, 스케치와 로프트 및 돌출 컷으로 작업이 이루어지는 일반적인 상황이라면, 내부의 거치 부분은 로프트곡면, 곡면 자르기 등 조금은 다양한 곡면 작성 및 편집 기능을 이용한다고 볼 수 있지만, 작업이 특별하게 어려운 부분이 없다.
다만, 보고 따라 하기는 어느 정도 쉽겠지만, 아무것도 없는 허허벌판에 맨땅에 헤딩하려고 한다면, 많은 고민과 연습이 필요한 부분일 수 도 있을 것이다.
솔리드웍스 곡면 모델링 따라 하기
기본 형상 모델링

평면 기준으로 그림의 크기와 같이 사각형으로 스케치를 작성하고, 돌출 보스/베이스로 도면과 같은 높이로 기준 형상을 모델링한다.
뭐, 기준이기 때문에 쉽게 모델링할 수 있다.

편집 피처에서 필렛을 선택해고, 부동크기 필렛 옵션으로 필렛 파라미터에서 비대칭을 선택하고, 도면과 같이 값은 기준 형상 모서리에 각각 지정한다.
비대칭 필렛은 가로세로 다른 반지름값을 부여하여, 흡사 다원과 같은 곡면을 생성할 수 있는 솔리드웍스 필렛 옵션이며, 적절하게 잘 활용하면, 멋진 제품형태를 만들 수 있다.
다만, 기계 가공관련한 부품에서는 크게 쓰임이 보이지 않고, 산업디자인과 같은 분야에서는 요긴하게 사용될 수 있을 것이다.

로프트 보스/베이스를 하기 전, 도면과 같은 높이로 기준면을 생성해서, 지름 50mm짜리 원을 먼저 스케치해 둔 상태에서, 이 작업을 수행한다.
로프트 보스/베이스 실행 후, 첫 번째 단면 프로파일을 스케치한 원을 선택하고, 두 번째 단면 프로파일은 돌출 생성한 객체 면을 직접 선택하면 된다.
시작과 끝을 잇는 녹색점이 어긋나지 않게 위치를 조절한 후, 시작/끝 구속에서 프로파일에 수직으로 지정하고, 시작 구속 곡률은 1.7로 끝 구속 곡률은 0.4로 수정해서 이쁘고 날씬한 곡면을 생성한다.

우측면 기준으로 스케치를 작성하고, 원 또는 호로 도면과 같은 치수로 스케치를 작성하고, 돌출 컷해서 상단 부분을 제거한다.
여기까지는 솔리드웍스뿐만 아니라, 다른 3D캐드를 조금이라도 배웠던 분이라면 충분히 따라올 수 있는 단순한 작업형태이다.
거치대 내부 곡면 모델링

이번 작업이 가장 중요하다고 볼 수 있는 부분이며, 그림을 보면서 아래 설명하는 내용을 찬찬히 이해하면서 따라 하기를 바란다. 이번 작업은 몇몇 개의 작업이 함축적으로 이루어져 있다.
① 우측면 기준으로 새 스케치를 작성하고, 전기면도기 뒤쪽 곡률과 비슷한 형태로 자유곡선으로 스케치를 작성한다.
② 자유곡선으로 스케치된 양 끝점을 기준으로 참조형상 기준면을 각각 생성하는데, 생성하는 방법은 참조형상 기준면 실행 -> 스케치 끝 점 지정 -> 자유곡선 선택 순으로 지정하면 곡선에 직각하는 평면이 만들어진다.
③ 만들어진 참조형상 평면을 선택해서, 새 스케치를 작성하는데, 상단 평면에는 면도기 손잡이 뒤쪽 형태를 1/3 지점위치의 곡률로 스케치하고, 하단 쪽에 생성된 평면에는 면도기 손잡이의 정면 아래쪽 형태와 비슷한 곡선 형태를 각각 스케치한다.
※ 크기와 형태는 여러분이 만들고 싶은 형태로 대략적으로 작성하되, 호와 접하는 선등으로 어느 정도 구속된 상태로 작성하는 것을 추천하며, 그것이 어려운 경우 자유곡선을 이용할 수 도 있다.
④ 곡면 탭에서 로프트 곡면을 실행하고, 프로파일을 금방 스케치한 두 개의 스케치 단면을 선택하고, 안내 곡선으로 처음 작성한 자유곡선을 선택한 후, 녹색 시작점의 위치를 동일한 방향으로 변경하여 곡면을 생성한다.

기존의 솔리드 객체의 가시성을 활성화시켜 놓고, 생성한 곡면만 남겨둔 상태에서 작업하면 편리하다.
① 3D스케치를 통해서 생성된 로프트 곡면의 파여 있는 부분을 선으로 각각 연결한다.
② 곡면 탭에서 로프트 곡면을 실행하고, 곡면의 가장자리 선과 스케치 선을 선택하여, 각각 면을 생성하는데, 스케치 선을 선택할 때 다중 선택 기능이 작동하면, 열린 루프로 선택한 후, 확인을 클릭하면 된다.
③ 곡면 붙이기를 실행하여, 생성한 3개의 로프트 곡면을 하나의 곡면으로 변경하고, 필렛으로 곡면 붙이기 한 가장자리를 선택하여 모깎기를 적용한다. 이때 모깎기 값은 미리 보기가 되는 최대한으로 값을 부여한다.

면도기 손잡이 앞면 부분에 대한 곡면을 생성한다.
① 우측면 기준으로 새 스케치를 작성한 후, 임의의 각도로 선을 작성한 후, 참조형상 기준면을 통해서 스케치 선에 직각하는 평면을 생성한다.
② 생성된 평면을 기준으로, 손잡이 앞쪽 곡률과 비슷하게 새 스케치를 작성한다.
③ 돌출 곡면을 이용해서 임의의 길이만큼 곡면을 생성한다.
※ 손잡이 앞면 곡면은 처음 만들었던 손잡이 뒤쪽 곡면과 교차될 수 있도록 곡면을 생성해야 한다.

곡면 자르기를 이용해서, 불필요한 곡면을 제거한다.
① 돌출 곡면으로 생성한 곡면의 위치가 낮을 경우, 롤드 곡면 또는 곡면 늘리기를 이용해서 위쪽으로 조금 더 생성한다.
② 곡면 잘라내기를 이용해서, 불필요한 곡면을 제거하는데, 상호 잘라내기를 이용하면 조금 더 수월하게 면을 정리할 수 있을 것이다.
※ 곡면 자르기 유형에서 상호 잘라내기를 이용해서 곡면을 자르면, 자동으로 곡면 붙이기가 되지만, 표준으로 자르면, 곡면을 자른 후, 마지막으로 곡면 붙이기를 수행해야 한다.

곡면 붙이기 또는 상호 잘라내기를 통해 완성한 곡면을 기준으로, 모델링한 형상의 내부를 제거한다.
① 곡면으로 자르기를 실행하고, 자를 기준이 되는 곡면을 선택한 후, 자를 방향을 결정하고 내부를 파낸다.
※ 생성한 곡면이 하나의 곡면으로 이루어지지 않으면, 작업이 되지 않는 관계로, 곡면 자르기 후 꼭 곡면 붙이기 또는 상호 잘라내기를 이용해서 곡면을 완성한다.
고생했습니다. 여기 특별한 이상이 없이 진행했다면, 작업은 거의 끝났다.
모델링 마무리

최종적으로, 거치대 뒤쪽 부분에 도면과 같이 스케치를 작성하고, 돌출 컷으로 파내고, 모서리에 도면과 같은 반지름 또는 임의의 반지름으로 모깎기를 적용하고 마무리한다.
지금까지, 솔리드 객체와 곡면 객체를 이용한 전기면도기 거치대를 모델링해 보았다.
어떻게 보면, 어렵고, 또 어떻게 보면 쉬웠던 작업이라 생각하는데, 도면을 참고로 한번 따라 해 봤다면, 여러분들이 직접 비슷하게나마 변경해서 작업해 보기를 바란다.
특히, 산업디자인 및 제품디자인에 관련한 분야에서 작업흐름을 어떻게 이끌어 가야 할지 이해하기 어려웠던 부분이 조금은 해결됐으리라 생각해 본다.
지금까지의 강의 방식과는 조금 다르게, 큰 꼭지들만을 스샷 받아 강좌를 만들었는데, 보시가 편한지 모르겠지만, 포스팅은 기본의 해왔던 방법보다 훨씬 수월한 것 같다.ㅎㅎㅎ
