3D 캐드를 공부하시는 많은 분들을 위해, 연습할 수 있는 초/중급 난의도의 연습 도면을 공유한다.

많이 활용하고 있는, 솔리드웍스 및 인벤터나 카티아뿐만 아니라 UG-NX, 오토캐드 3D에서도 충분히 활용할 수 있는 도면으로 구성하고 있다.
아래 PDF도면을 다운로드하여서 활용하면 된다.
PDF 연습 도면 다운로드
2D3D연습 도면-솔리드웍스,인벤터,카티아,UG-NX,오토캐드 모델링 도면-03.PDF
0.16MB
힌트!!
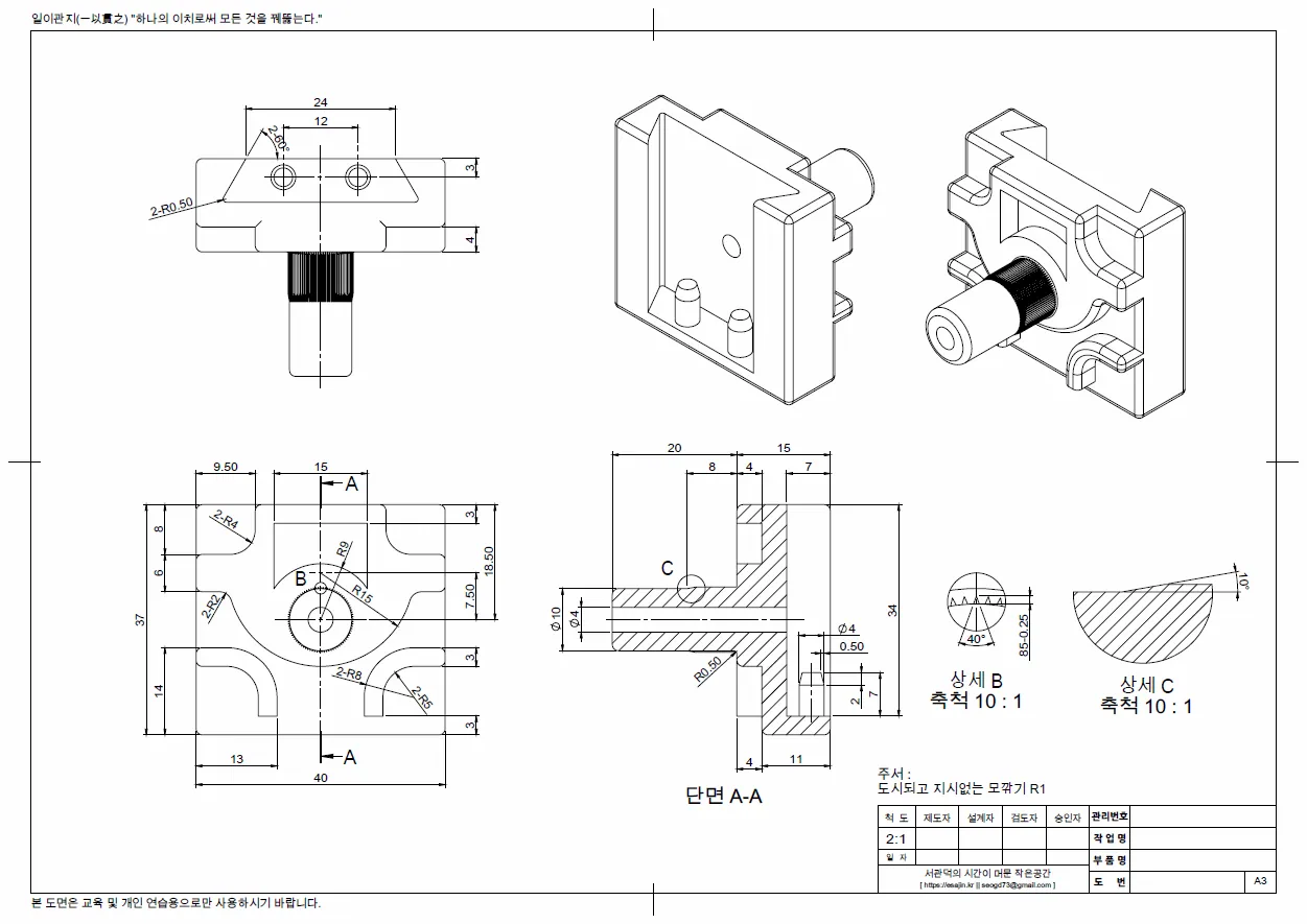
이번 도면의 전반적인 작업은 스케치 및 돌출, 돌출 컷으로 작업이 완료되는 형상이다.
하지만, 상세 B 및 상세 C부분을 표현하는 부분에서 조금 생각해야 해야 하지만, 정답은 없지만 가장 쉬운 방법은 상세 B부분을 먼저 돌출 및 원형 패턴으로 모델링 후, C부분을 회전 컷 (회천 차집합)으로 마무리하면 될 것이다.
※ 본 도면은 인벤터 월드컵 Inventor NG WorldCup (Support sommier, Original model by Dominique Rudaz, 2004년 10월) 작성한 도면을 국내 실정에 맞게 기억의 연장선이 직접 재수정 및 변경 후, 직접 작성한 도면을 제공한다.
728x90
반응형