- 오토캐드, 솔리드웍스, 인벤터, 카티아, UG-NX 등 2D캐드 및 3D캐드를 공부할 수 있는 연습 도면 공유

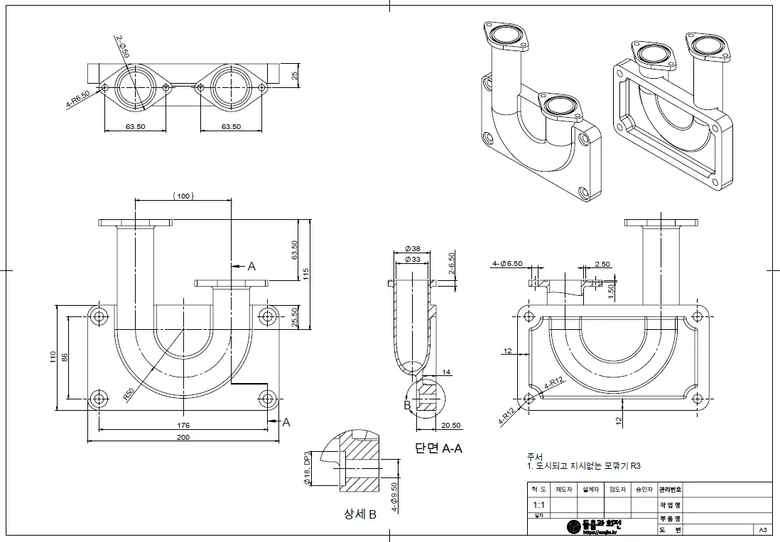
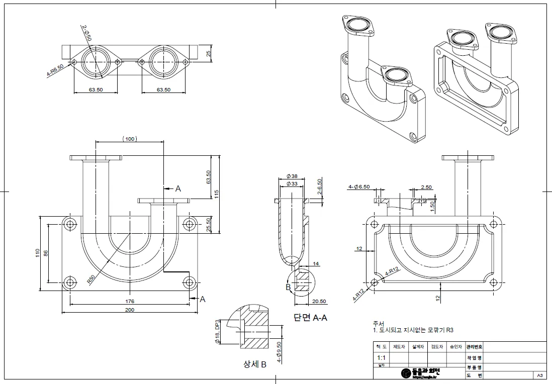
이번 도면은 3D캐드로 모델링 연습뿐만 아니라, 오토캐드와 같은 2D캐드에서도 충분히 연습할 수 있는 도면으로도 충분할 수 있을 것이다.
PDF 연습 도면 다운로드
작업 힌트
도면의 형태는 크게 어렵지 않게 생겼지만, U자형 곡관과 직육면체로 된 본체를 어떻게 작업하면 좋을 것인지가 이 작업의 관건일 것이다.
작업은 육면체 형태의 본체를 먼저 모델링하고, 도면과 같이 약간 파낸 후, U형 곡관을 스윕으로 작성하면 된다.
쉘 기능보다는 돌출, 돌출 컷, 스윕, 스윕 컷 기능으로 만드는 것이 좋을 것 같은 생각이 든다.^^
※ 본 도면은 인벤터 월드컵 IVNGWC-2010-05 문제 도면을 국내 환경에 맞게, 돌출과 회전™이 직접 모델링 및 변경 후, 작성한 도면을 제공하며, 도면에서 누락된 치수나 잘못된 점이 있으면, 댓글로 남겨주시기 바란다.
728x90
반응형
