- 솔리드웍스 곡면 포장 기능을 이용한 간단한 모델링 따라 하기
- 이번에도 네이버 지식인에 올라온 질문 내용을 토대로 작업하는 형태이지만, 질문의 요지는 카티아를 공부하는 도중 솔리드웍스 곡면 포장에 해당하는 작업이 되지 않는다는 내용이고, 이번 포스팅은 카티아가 아닌 솔리드웍스를 이용한 방법이다.

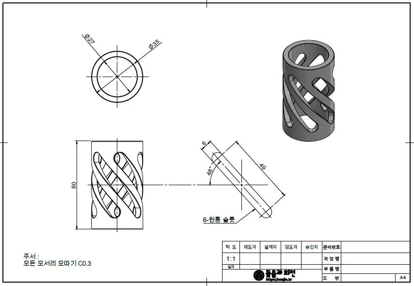
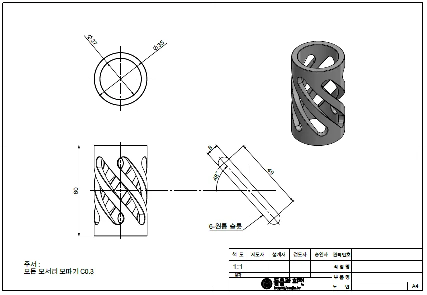
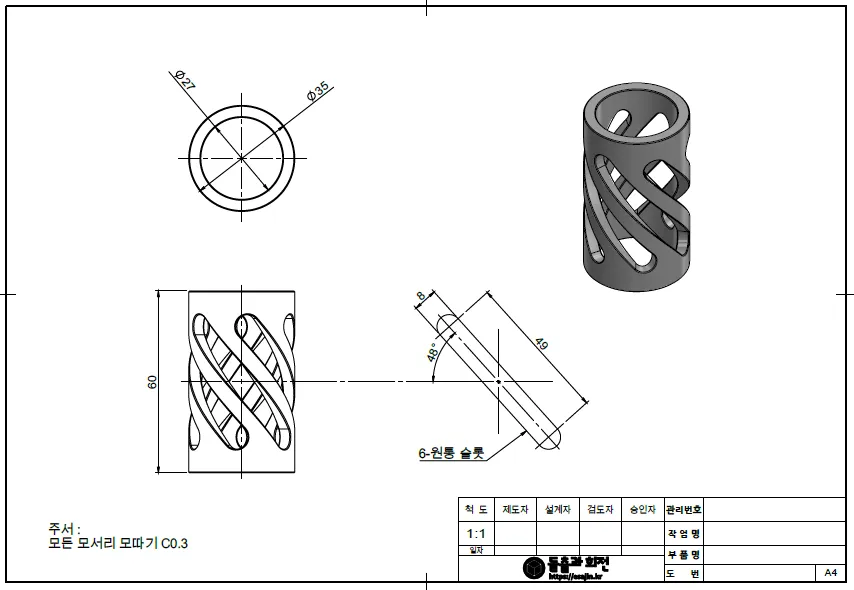
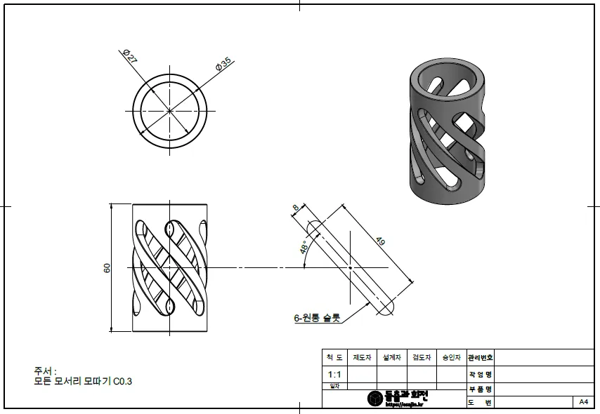
이번 강좌에 사용될 형태는 원통에 비스듬하게 슬롯으로 홈이 작성된 형상으로, 예전에 비슷한 내용으로 몇 번 포스팅한 적이 있었던 것 같다.
작업은 크게 어렵지 않다. 원통 형태의 기준 형상에, 비스듬하게 장공을 스케치하고, 곡면 포장으로 파내기만 하면 되는 간단한 형태이고, 이러한 형상은 기계적인 측면에서 본다면, 원통 캠이나, 배관 노즐과 같은 형태에 활용될 수 있고, 디자인적인 측면에서 보면, 등 기구 등 단순하면서 특이한 형상을 표현할 수 있다고 본다.
참고 도면 다운로드

네이버 지식인 질문자분께서 올려놓은 도면을 참고로 약간 변경해서 직접 내린 도면이며, 질문에 포함된 원 도면은 주영환 님이 운영하시는 http://studycadcam.com/ 에서 가져온 도면이다.
곡면 포장 모델링 따라 하기

윗면 기준 평면으로, 원통 프로파일을 스케치한다.
① 솔리드웍스 새 파트에서 피처 리스트에서 윗면을 선택하고, 새 스케치를 작성한다.
② 스케치 작성 도구에서 중심 원으로, 원점을 기준으로 도면과 같이 지름 35mm원과 27mm원을 작성하고, 치수 구속 후, 스케치를 마무리한다.
기존 원통 프로파일 돌출 보스/베이스

돌출 보스/베이스를 이용해서 기준 형상을 모델링한다.
① 스케치 마무리 후, Ctrl+7을 클릭하고, 피처 리스트에서 스케치 피처를 선택하고, 피처 탭, 돌출 보스/베이스를 클릭한다.
② 돌출 방향은 돌출 1에서 중간 평면으로 지정하고, 돌출 값을 60mm 지정하고 확인한다.
슬롯 홈 작성을 위한 스케치

돌출 보스/베이스로 작성한 원통에 슬롯 홈을 만들기 위해서 스케치한다.
① 기준 평면에서 정면을 클릭하고, 새 스케치를 작성한다.
② 스케치 작성 도구에서 중심점 직선 홈으로, 스케치 원점을 기준으로 대략적으로 스케치 작성 후, 치수 구속으로 위 그림 또는 도면과 같이 구속하고, 스케치를 마무리한다.
스케치를 곡면에 곡면 포장

솔리드웍스 곡면 포장 기능을 이용해서 원통에 슬롯 홈을 만든다.
① 피처 탭, 피처 편집에서 곡면 포장을 클릭한다.
② 포장 유형은 오목으로 선택하고, 포장 방법은 분석(원통 또는 원추형)을 선택한다.
③ 포장 파라미터에서 스케치 영역은 앞에서 작성한 스케치를 선택하고, 포장 면은 원통 바깥쪽 면을 선택한다.
④ 오목으로 파내는 깊이를 원통 두께보다 큰 값으로 지정하면 되는데, 여기서는 15mm를 입력한다. 더 큰 값을 주면 오류가 발생할 수 있다.
슬롯 홈 원형 패턴

생성된 슬롯 홈을 원형 패턴으로, 도면에서 제시한 수만큼 회전 배열 복사한다.
① 피처 탭, 피처 편집에서 원형 패턴을 클릭한다.
② 회전 패턴의 회전축이 있는 원통 면을 선택하고, 피처 및 면에서 회전 피턴 시킬 슬롯 홈을 선택한다.
③ 회전 패턴 값에서 동등 간격으로, 360도 6개로, 한 바퀴를 패턴 시키는데 자동 간격으로 배열한다.
모서리에 모따기 적용

마지막으로, 도면 주서에 명시되어 있는 모든 모서리에 모따기 C0.3을 적용한다.
① 피처 탭, 피처 편집에서 모따기를 클릭한다.
② 모따기 유형을 거리 거리로 설정한다.
※ 거리 거리 옵션은 모따기 거리가 가로, 세로 다른 값이 적용되어야 하는 경우나, 도면상에 C기호가 있는 직각인 모서리가 아닌 경우에 사용하는 옵션이다.
③ 모따기 할 모서리 또는 면을 선택한다.
※ 한두 개 정도면, 모서리만 선택해야 하지만, 이번 도면과 같이 형상에 있는 전체 모서리에 모따기 또는 모깎기를 적용할 때는 면을 선택하는 것이 시간적으로 유리하다.
④ 모따기 파라미터에서 도면에서 제시한 C0.3을 적용하기 위해서 옵션은 대칭으로 두고, 0.3mm을 입력하고 적용한다.
곡면 포장이 적용된 완성 형태

곡면 포장이 적용된 모델링 형상이다.
작업의 형태는 아주 기본적인 형태로, 스케치, 돌출, 스케치, 곡면 포장, 원형 패턴, 모따기 순으로 총 6개의 작업과 4개의 피처 작업으로 이루어진 모델링 작업이다.
크게 어려운 내용은 없어며, 이러한 형태를 응용해서 다양한 형상으로 진화시킬 수 있는 내용들이 무궁무진하게 많다.
곡면 포장이 어떻게 동작하는지에 대해서 많은 공부가 필요하다.