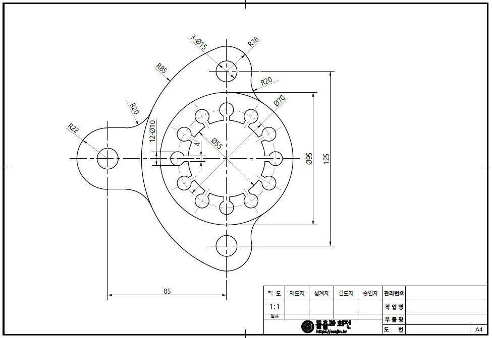
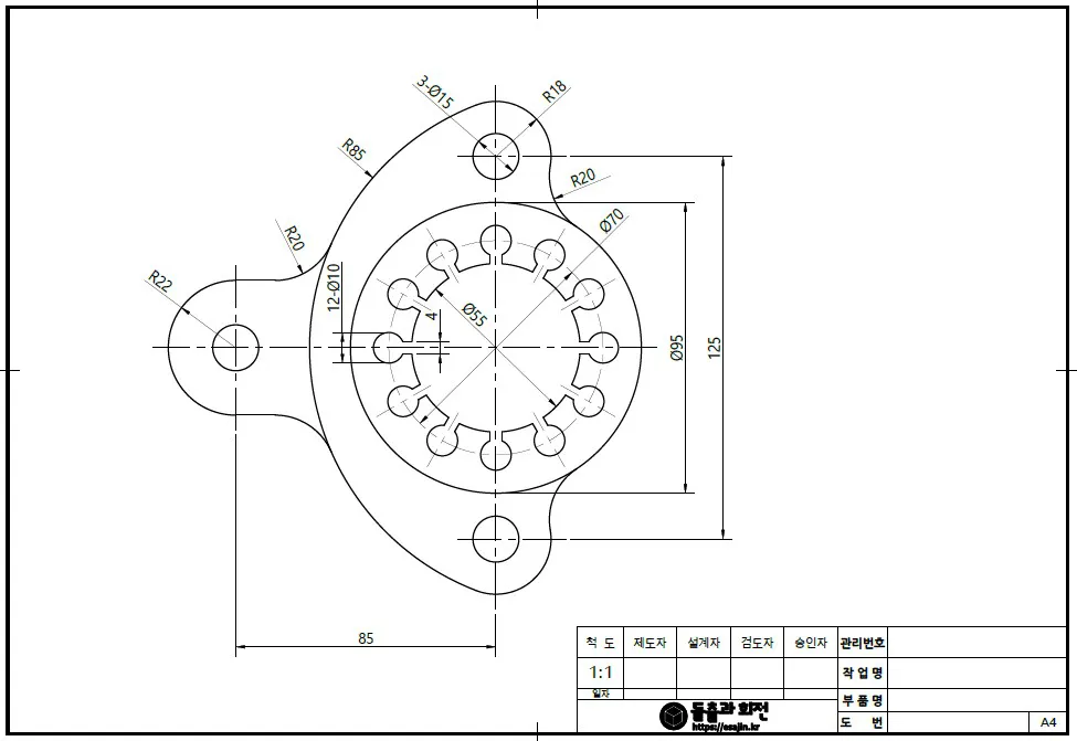
- 솔리드웍스, 인벤터 등 3D캐드의 스케치를 연습하고, 오토캐드, 지스타캐드 등 2D캐드에서 기초 제도를 연습할 수 있는 도면 제공

오토캐드 기초 연습도면으로, 2D캐드 드로잉 연습뿐만 아니라, 3D캐드에서 기본 필수로 사용되는 스케치를 연습할 수 있는 3번째 도면을 공개한다.
솔직히 이런 도면은 2D캐드에서도 필요하겠지만, 3D에서 더 필요한 형태일 수도 있을 것 같다.
똑같은 도면을 가지고 연습하더라도 다양한 방법들을 이용해서 스케치 및 드로잉 하는 연습을 많이 해두는 것을 추천한다.
캐드 연습도면 다운로드
2D3D연습도면 및 스케치연습 도면010.pdf
0.31MB
작업힌트
대부분의 2D도면의 기본은 중심선부터 시작한다.
선과 오프셋으로 중심선을 먼저 작성한 후, 원과 중심선 기준으로 필요한 선분을 간격 띄우기 함으로써 형태를 구성하는 방법을 연구하고, 공부해야 하며, 이 도면에서 마지막으로 원형 배열복사해서 세부적인 형태를 만든다.
3D캐드에서 스케치는 적절하게 수평, 수직 구속을 이용해서 잘아서 잘 그리면 된다. ㅎㅎ
※ 본 도면은 돌출과 회전™이 직접 작성해서 업로드한 도면이다.
728x90
반응형