- 오토캐드, 지스타캐드 및 솔리드웍스, 인벤터 등 2D캐드와 3D캐드를 공부하는 분들에게 도움이 될 수 있는 연습 도면을 공유한다.

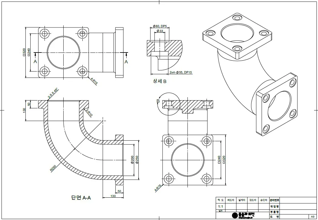
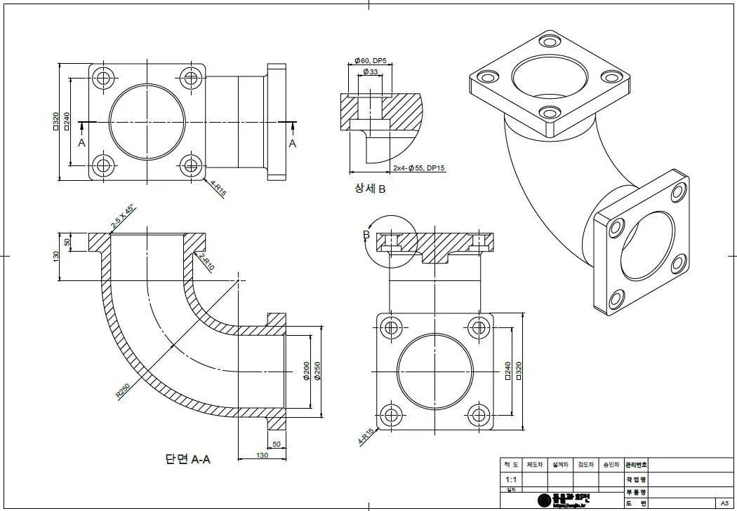
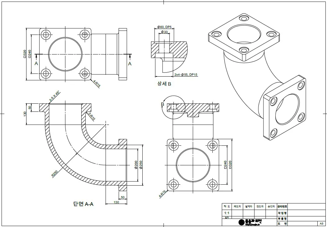
이번에 연습할 수 있는 도면은 배관 관련 분야에서 주로 많이 보이는 엘보라는 파이프 연결 부품에 대한 도면을 공유한다.
배관, 파이프가 사용되는 분야가 다양하게 있지만, 특정 분야에 대한 지식보다는 단순히 캐드를 활용을 연습할 수 있는 도면이라고 생각하면 된다.
솔리드웍스나 인벤터 같은 3D캐드 활용뿐만 아니라, 오토캐드나 지스타캐드에서도 정투상도면 작성하는 방법을 연습할 수 있는 도면으로 생각하면 될 것이다.
솔직히, 캐드 소프트웨어를 배우시는 분들은 많은데, 투상이 제대로 되지 않아, 도면 또는 모델링에 어려움을 겪는 분들이 많으리라 생각한다.
단순히, 캐드 명령을 사용하기 위한 연습도 필요하겠지만, 실제 도면을 작성하기 위해서 우선적으로 필요한 정투상도면 작성하는 연습도 많이 해야 한다.
PDF 연습 도면 다운로드

작업 힌트
`3D캐드` 사용자는 스윕과 쉘, 그리고 돌출 및 구멍 생성 명령을 활용해서 모델링하고, 플랜지 부분은 대칭복사를 이용해서 작업을 수행하는 방법을 추천한다.
단순히 기준 평면을 사용하는 것이 아닌, 90도로 이루어진 면을 기준으로 사용자 평면을 만들어서 대칭복사하는 방법을 익혀둘 수 있는 좋은 기회가 될 것이다.
`2D캐드` 사용자는 단순히 도면을 그대로 빼껴, 그림만 그리는 연습은 솔직히 의미가 없으므로, 제공하는 도면의 등각도면과 정투상도면을 같이 보면서, 형태를 파악하고 도면 작성하는 순서와 각 투상에 맞는 도면을 작성하는 방법에 주안을 둬야 할 것이다.
또한, 전단면과 부분단면, 그리고 부분 상세도를 그리는 방법도 같이 익혀둘 수 있는 도면이다.
오토캐드 부분 상세도 작성 방법, feat. 치수 스타일 재지정 사용 강좌
오토캐드 도면 작성 시, 도면의 작은 부분을 별도로 크게 확대해서 도면으로 표시하는 것을 "상세도"라 한다. 기계, 건축뿐만 아니라 도면을 사용하는 거의 모든 분야에, 부분 상세도가 사용되고
esajin.kr
그리고, 2D도면이던, 3D모델링이던 항상 치수기입을 포함한 완성된 도면이 될 수 있도록 노력하는 것을 연습해 두어야 한다.