- 오토캐드 도면 작성 시, 도면의 작은 부분을 별도로 크게 확대해서 도면으로 표시하는 것을 "상세도"라 한다.
- 기계, 건축뿐만 아니라 도면을 사용하는 거의 모든 분야에, 부분 상세도가 사용되고 있으며, 이러한 상세도를 손쉽게(?) 작성하는 방법에 대해서 알아보자.

상세도를 작성하는 방법은 여러 가지가 있겠지만, 대부분 알고 있는 실척으로 도면을 작성한 후, 상세도가 필요한 부분은 복사해서 Scale로 확대시켜 확대 상세도를 표현한다.
그리고, 필요한 치수를 기입하는데, 이번 강좌의 내용도 이와 비슷한 내용이지만, 캐드를 배우는 학생이나, 자격시험을 준비하는 분들에게 조금이라도 도움이 될 수 있을 것 같아 포스팅한다.

상세도 작성은, 도면 치수 기입까지 완전히 완료된 후, 작성하는 것이 아니라, 치수 기입 전에 이미 상세도를 먼저 작성해 두고, 최종적으로 치수 기입 및 치수 스타일 재지정으로 정리해서 도면을 마무리한다고 생각하면 된다.
이번 강좌는 상세도 작성 부분만을 목적으로 하고 있어, 어느 정도 도면이 완성된 상태에서, 확대 도면과 치수 기입 및 치수 스타일 재지정으로, 치수 값을 직접적으로 변경하지 않고, 상세도를 작성한다.
참고 도면 및 DWG 파일 다운로드
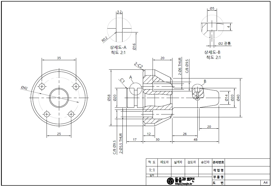
오토캐드 부분 상세도 작성 방법
동영상 강좌에서 미흡한 설명 부분을 아래 이미지 및 글 강좌를 통해서 보충할 수 있도록 연습하면 좋을 것이다.
특별하게 많은 시간은 소요되지 않지만, 한번 잘 익혀두고 있으면, 여러모로 편리하게 사용할 수 있을 것이다.
상세도 부분 작성



제공하는 도면을 이용해서 작성한 도면에서, 상세도를 작성할 부분을 원 또는 타원으로 그려놓고, 필요한 부분을 복사해서 정리한다.
좌측 이미지에서 상세도가 필요한 부분을 원 또는 타원으로 영역을 작성한다.
중간 이미지에서 Copy명령으로 작성할 상세도만큼 선택하고, 임의 위치로 복사한다.
우측 이미지에서 상세도 영역에 맞게 Trim으로 선분을 잘라내거나 연장하여 맞춘다.
상세도 척도 변경 (Scale)

복사 및 선 정리가 완료되면, 스케일을 이용해서 척도를 변경한다.
① 명령창에서 Scale(S)를 입력하고, ② 크기를 변경한 객체를 전부 선택하고, 임의 위치에 기준점을 지정한다.
③ 축척 비율은 도면 크기에 맞게 적절하게 부여하는데, 여기서는 2를 입력하여, 상세 확대도를 완성한다.
실측 도면 길이 등 치수 측정

측정 명령으로 실제 도면의 크기를 확인한다.
※ 이 부분은 특별히 수행하지 않아도 상관없다.
① 명령 창에서 Dist(DI)를 입력하고, ② 측정할 두 점을 지정하여 거리 값을 확인한다.
※ 반지름 등과 같은 요소는 List(LI)를 이용하면 쉽게 측정할 수 있으며, 치수 기입 명령을 이용해도 된다.
상세도에 치수 기입


오토캐드 치수 기입 명령을 이용해서 필요한 치수를 전부 기입한다.
※ 가장 많이 사용하는 치수 기입 단축 명령은 DLI, DRA, DDI, DAN, DAL 등이 있다.
※ DLI는 선형 치수 기입, DRA는 반지름 치수 기입, DDI는 지름 치수 기입, DAN는 각도 치수 기입, DAL는 정렬 치수 기입이다.
치수 스타일 재지정

치수 스타일 (DIMSTYLE)는 기입되는 치수의 유형을 표준에 입각하여 도면에 맞게 수정하는 기능으로, 다양하게 변경될 수 있는 내용을 가지고 있으며, 수정과 재지정을 적절하게 사용할 필요가 있는 부분이다.
① 명령 창에서 DIMSTYLE(D, DDIM)을 입력한다.
② 치수 스타일 관리자에서 사용 중인 스타일 목록을 선택하고, 재지정 버튼을 클릭한다.
재지정 스타일은?
재지정은 치수 기입 초반에 설정된 유형에서 일부분이 변경되어야 하는 경우에 사용하는 기능으로, 몇몇 개를 그때그때 변경해서 사용하는 기능이다.
재지정 기능을 언제 사용할 것이냐에 대한 부분은 솔직히 사용자가 알아서 할 부분이지만, 내가 추천하고 사용하는 방법은 기본적인 치수 기입을 완료한 후, 최종적으로 사용하는 것을 추천한다.
재지정이 가지고 있는 기본적인 기능이 스타일을 수정은 기존에 적용된 치수도 소급 적용하여 변경하지만, 재지정은 재지정된 시점부터 작성되는 치수에 적용되기 때문에, 스타일이 수시로 변경되어야 한다면, 마지막에 재지정으로 필요한 부분을 재지정하는 것이 훨씬 시간적으로 유리하며 편리하다.
재지정 후, 작성된 치수에 적용하기 위해서는 주석 탭에서 업데이트 아이콘을 클릭해서 사용하거나, 돌출과 회전 포스팅한 업데이트 키보드 단축 명령 추가 방법(2016 버전부터 사라진 기능)을 이용해서 사용하면 된다.
오토캐드 치수 업데이트 단축 명령 만들기 - 리습 활용 팁
오토캐드 2016 이후, 사라지고 리본 메뉴로 변경된 치수 업데이트(UPdate) 기능을 키보드 단축 명령으로 만드는 방법을 간단하게 알아보자. 치수 업데이트 기능은 치수 스타일(dimstyle)에서 재지정(Ov
esajin.kr
스타일 재지정에서 축척 비율 설정

어떻게 보면, 축척 비율 설정이 이번 상세도 만들기에서 가장 중요한 부분이라고 할 수 있다.
① 스타일 재지정 창에서 1차 단위 탭을 클릭하고, 축척 비율에서 상세도 확대 비율만큼 줄이는 값을 입력하면 된다.
※ 상세도를 2배 키웠다면 1/2 값을 입력하고, 3배 키웠다면, 1/3 값을 입력하면 된다. 물론 소수점으로 직접 입력해도 되지만, 정확도를 높일 수 있는 가장 좋은 방법은 분수로 입력하는 것이다.

스타일 재지정이 끝났으면, 스타일 관리창에서 확인하고, 창을 닫는다.
기입된 치수 업데이트 적용

스타일을 재지정으로 변경하고, 앞에서 설명했듯이 이미 작성된 치수에는 영향을 주지 않기 때문에 치수 업데이트를 이용해서 기존 치수에 변경된 스타일을 적용한다.
① 리본 메뉴 주석 탭에서, 업데이트 아이콘으로 치수에 업데이트할 수 있다.
② 앞에서 언급한 치수 스타일 업데이트를 단축키로 만들어 사용하는 경우는 명령 창에 UP만 입력해서 치수를 업데이트시킬 수 있다.
※ 명령 실행 후, 변경할 치수 객체를 선택하고 엔터 하면 바로 적용된다.
업데이트 확인

치수 업데이터를 이용하면, 재지정된 스타일이 실시간으로 변경되며, 이렇게 재지정 치수 변수는 스타일 수정을 통해서 소급 적용되지 않고, 오로지 재지정 업데이트로만 스타일을 수정할 수 있다.
나머지는 알아서. ㅋ

3D캐드에서는 너무나 쉽게 작성되었던 상세도를 도면으로 뽑는다는 것은 솔직히 잔손이 많이 가는 작업이지만, 이렇게라도 상세도를 작성하는 아주 기본적인 방법을 알아두면 좋을 것이다.
상세도를 어떻게 만들어야 한다라는 고정된 방법은 없다.
다만, 사용자가 조금도 쉽게 작성할 수 있는 방법이 있다면, 적극적으로 그런 방법을 익혀야 나중에 편하게 일할 수 있다.
치수 기입 후, 부득이한 경우가 아니면, 치수 값을 강제로 변경하는 것은 추천하지 않고, 또 치수를 분해(EXPLODE, EX)로 개별 객체로 만드는 것도 추천하지 않는다.
이는, 현재 작성하는 도면이 수정할 거 하나도 없이 완벽하고, 바로 출도 도장 찍히는 하면, 상관없지만, 수정이 계속 이루어져야 하거나, 차후에도 도면이 수정될 여력이 있으면 위와 같은 작업은 득 보다 실이 더 많을 것이다.
이번 강좌는 요기까지, 많은 도움이 되었기를 바란다.
