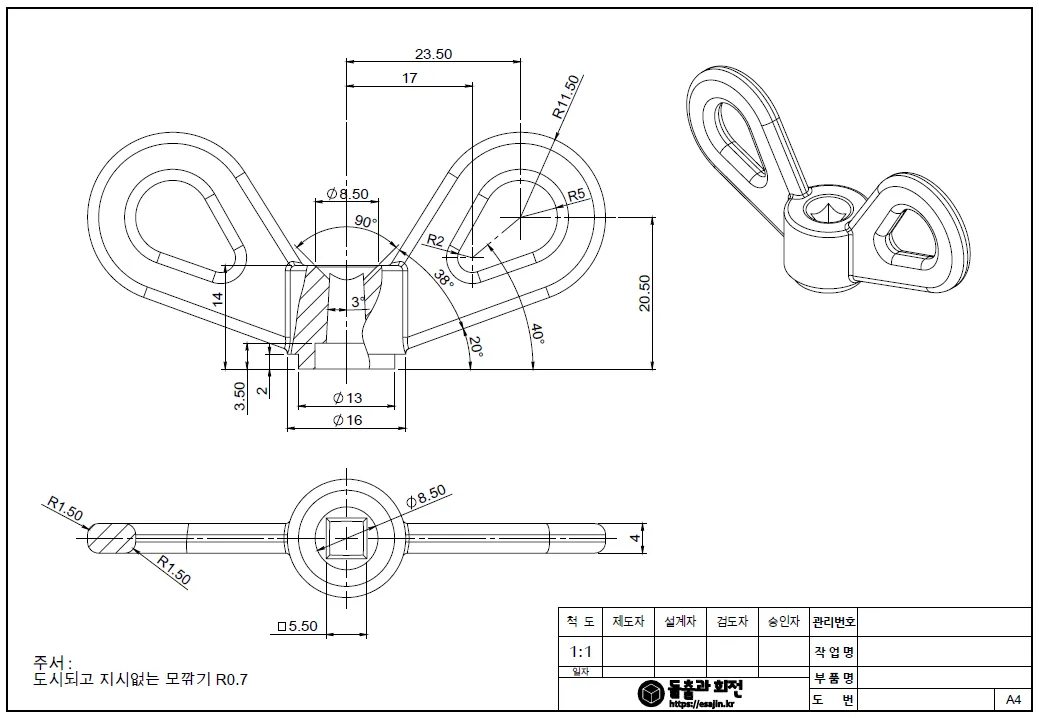
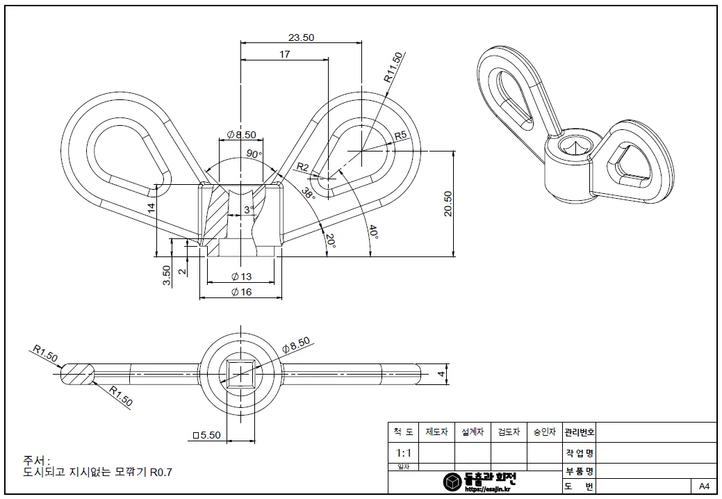
- 옛날 태엽 감는 손잡이처럼 생긴 나비형 핸들을 제공하는 도면과 같이 솔리드웍스를 이용해서 모델링하는 순서와 방법 설명
- 따라 하기 난의도는 "하" 정도로 회전 및 돌출로 기본 형태를 작성하고, 돌출 컷과 필렛으로 모델링 마무리

이번 강좌도 솔리드웍스를 기반으로 작성되는 내용이지만, 작업 내용이 꼭 솔리드웍스가 아니라도 충분히 동일하게 연습할 수 있는 내용이다.
인벤터나 카티아 같은 3D 캐드를 조금이라도 사용할 수 있는 사용자라면 도면만 가지고도 작업할 것이고, 지금 배우고 있는 분이라도, 스케치와 돌출 회전만 알고 있어도 연습하는 데는 큰 무리가 없을 것이다.
이번에는 글 강좌와 동영상 강좌를 같이 포스팅하기 때문에, 동영상과 글 강좌를 적절하게 활용하면 더 알찬 내용이 될 것이다.
도면 다운로드
상기 도면은 옛날 인벤터 월드컵(ivngwc.org)이라는 연습용 도면을 내 나름대로 재구성해서 작성한 도면이다.
ivngwc.org가 사이트도 폐쇄되고, 도면의 저작권이 어떻게 되는지 모르겠다.ㅎ
나비형 핸들 모델링 따라 하기

핸들 본체 스케치 및 모델링


도면에서 중간에 있는 본체의 스케치와 회전 보스/베이스로 모델링을 수행한다.
- 정면 기준 새 스케치를 작성으로, 좌측 그림과 같이 스케치를 작성하는데,
- 회전 객체를 생성하기 위한, 스케치 단면으로 작성한다.
또한, 지름 치수 구속을 위해 임의 중심에 보조선을 작성하고, 보조선 기준으로 지름 치수를 기입하면 치수 구속이 수월하다.
- 스케치 마무리 후, 회전 보스 베이스로 형상을 작성한다.
- 스케치에 다중 영역을 가지고 있기 때문에, 회전 단면은 직접 선택해야 하며, 이때 얇은 피처가 체크되어 있는 경우, 해제한다.
날개 부분 스케치 및 모델링


기준 형상 모델링 끝났다면, 날개 부분을 스케치하고, 형상을 생성한다.
- 마찬가지로 정면 기준으로 새 스케치를 작성하고,
- 도면과 같이 돌출 보스/베이스로 작성할 스케치를 완성한다.
선과 호, 원으로 작성하되, 어느 정도 스케치 후, 꼭 치수 구속으로 위치와 자세를 구속해야 작업이 수월하다.
- 스케치 마무리 후, 돌출 보스/베이스로 돌출할 영역을 선택하고,
- 돌출 방향은 중간 평면으로 4mm만큼 돌출하여 형상을 완성한다.
날개 대칭 복사

반대쪽 날개는 앞에서 생성한 형상을 피처 대칭 복사를 이용하여 완성한다.
- 상단 피처 탭, 피처 편집에서 대칭 복사를 선택한다.
- 면/평면 대칭 복사에서 대칭 기준 평면을 우측면으로 선택한다.
※ 속성 창이 나타난 상태에서 피처 리스트가 보이지 않게 때문에, 작업화면 좌측 상단 피처 리스트를 클릭하여 피처를 선택할 수 있다. - 대칭 복사 피처에서 대칭 복사할 피처를 직접 선택 또는 리스트에서 선택하고, 대칭 복사를 마무리한다.
중간 사각형 구매 형상 모델링



모델링 된 본체 하부 면을 기준으로 새 스케치하고, 돌출 컷으로 형태를 표현한다.
- 하부 면을 선택하고 새 스케치를 클릭한 후, 도면과 같은 크기로 중심 사각형으로 스케치를 작성한다.
※ 정사각형은 가로/세로 선분을 선택하고, 동등 구속을 지정하면 수월하게 정사각형을 스케치할 수 있다.
- 스케치 마무리 후, 피처 탭 -> 돌출 컷을 실행하고, 범위는 관통으로 지정하고, 빼기 구배를 활성화하고 3도 값을 입력하여 형상을 작성한다.
상부 깎여진 원뿔 형태 작성



모델링 된 주 형상 상부 면을 기준으로 원뿔 형태로 컷 작성한다.
- 상부 면을 선택하고 새 스케치를 클릭한 후, 도면과 같은 크기로 중심 원으로 스케치를 작성한다.
- 스케치 마무리 후, 피처 탭 -> 돌출 컷을 실행하고, 범위는 관통으로 지정하고, 빼기 구배를 활성화하고 45도 값을 입력하여 형상을 작성한다.
모깎기를 이용한 형상 마무리


기본적으로 모델링을 완료 후, 필렛을 이용하여, 객체 모서리를 처리한다.
필렛을 적용하는 방법에는 큰 어려움이 없겠지만, 한 번에 반지름이 다른 다중 모깎기가 적용되는 경우도 있고, 그렇지 못한 경우도 있는데, 다중 필렛 적용이 어려운 경우는 개별로 필렛을 적용해 넣어야 한다.
여기까지, 간단한 도면 형태로 모델링하는 방법을 알아보았다.
크게 어렵지 않게 따라 할 수 있고, 회전, 돌출 보스/베이스 및 돌출 컷의 활용방법과 필렛 적용 방법을 이해했을 것이다.
도면을 가지고 바로 작업에 임하지 마시고, 도면을 찬찬히 보면서 어디서부터 어떻게 적용하는지, 이 글을 작성하는 사람이 왜 이런 방법을 사용하는지 꼼꼼하게 생각해 볼 수 있는 시간이었으면 좋겠다.
