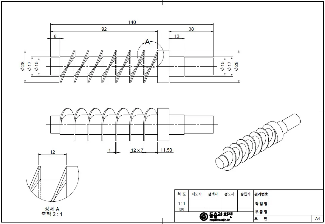
- 반은 나선형 스크루, 나머지 반은 평면형 스크루로 이루어진 아주 특이한, 이송 스크루를 솔리드웍스를 이용해서 모델링하는 방법을 통영상 강좌로 알아보자.

이번 강좌 내용은 가입은 해놓고 있지만, 활동은 거의 하지 않는 네이버 카페 중에서 `플레이 솔리드웍스` 저자인 `원동현` 씨가 리드로 있는 `솔리드웍스 한국 공식 유저 그룹`에 모델링 방법에 대한 질문 글을 참고하여 작성하였고, 여기에 사용되는 도면 자료는 질문자분께서 첨부한 도면 형태를 길이와 크기를 조금 변경해서 새롭게 작성한 도면으로 한 작업 방법이다.
스크류 모델링 도와주세요 ㅠ
대한민국 모임의 시작, 네이버 카페
cafe.naver.com
이것은 일반적으로 나선형 곡선 또는 스윕 꼬임 값 지정을 이용한 통상적인 스크루는 코일이 1 피치 회전할 때, 시작과 끝이 균일한 간격으로 한 바퀴 회전해서 생성하는 형태이지만, 이번에 솔리드웍스를 통해 모델링 강좌 하는 것은 한 바퀴는 나선형으로, 나머지 반 바퀴는 평면으로 평평하게 나선이 만들어지는 형태이다.

위 작업 그림처럼 위에서 봤을 때는 일반적인 나선형이지만, 옆에서 봤을 때는 아래쪽이 평면형태로 이루어진 형상이고, 나선형 스크루와 평면형 스크루의 이음이 각이 존재하지 않는 탄젠트 형태로 매끄럽게 면이 이루어질 수 있도록 모델링 방법을 요구하는 있다.
도면 파일 및 모델링 파일 다운로드

상기 도면과 모델링 파트 파일을 이용해서 작업 환경을 분석해 보고, 아래 동영상 강좌의 내용을 확인해 보면, 충분히 이해할 것이며, 이번 강좌에 매우 중요한 투영 곡선과 복합 곡선의 사용방법을 이해하고, 익힐 수 있는 좋은 기회라고 생각한다.
특이한 이송 스크류 - 솔리드웍스 모델링 동영상 강좌
가능하면, 도면을 충분히 분석하고, 같이 따라 해 보는 것을 추천한다.^^
좋아요와 구독은 좋은 콘텐츠 제작에 큰 힘이 됩니다.
일반적인 나선형 곡선(코일)으로는 표현하기 어려운 각종 와이어 코일 형태를 표현하거나 모델링해야 할 때, 오늘 간단하게 익혔던, 투영 곡선과 복합 곡선을 적절하게 활용하면, 각종 와이어 형태를 손쉽게 표현할 수 있을 것이다.
물론, 하루아침에 이루어지지는 않겠지만, 두 기능이 어떻게 사용되는 지를 충분히 연습해 두고, 상황을 만들어 모델링 또는 표현하는 방법을 찾아가는 것도 좋을 것 같다.